0 引言
分部傳動點共有24個,電路部分現以驅網輥電路圖為例加以說明。為了抑制電網當中的高次諧波在本控制系統中加入進線電抗器,它能夠限制電網電上&突變和操作過電壓引起的電流沖擊,有效地抑制諧波,改善變頻器的運行狀況。
1 本設計紙機傳動采用交流變頻系統的方案選擇
分部傳動點共有24個,電路部分現以驅網輥電路圖為例加以說明。

圖1驅網輥電路圖
為了抑制電網當中的高次諧波在本控制系統中加入進線電抗器,它能夠限制電網電壓突變和操作過電壓引起的電流沖擊,有效地抑制諧波,改善變頻器的運行狀況。
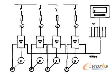
2 本設計的實際控制系統

圖2控制系統拓撲
3 PLC與變頻器的通訊組態實現
3.1 PLC與變頻器的通訊
為了對電機進行負載分配控制,PLC中的負載控制器要隨時從變頻器中讀取每臺電機的實際力矩、轉矩電流、編碼器反饋的轉速,同時要將總的速度給定值寫入變頻器,對電機進行負載控制和矢量控制。兇此,正確實現PLC與變頻器之間的信息通訊是整個負載分配控制的關鍵。PLC采用了SIEMENS的S7-300系列,變頻器采用SIEI矢量變頻器,它們之間采用PROFIBUS—DP總線進行通訊。在主站與從站之間,PROFIBUS根據令牌傳遞過程T作,即在一個邏輯環中,主站成為一個確定時間窗口的令牌保持著,在這個時間窗口內,擁有令牌的主站能夠與其他主站通訊。同時它使用一個較低的主.從過程,實現與從站通訊。這里采用的PROFIBuS.DP總線方式,允許在PLC和傳動裝置之問進行快速的數據交換。對傳動裝置的存取總是按照主.從方式進行的,傳動裝置總是從站,且每個從站本身都有明確的地址。
本系統通過SIMATIC Manager STEP7軟件實現網絡組態,在該系統中上位機、PLC屬于第一類主站(DPMl),主要完成總線通信控制和管理。操作屏屬于第二類主站,主要完成各站點的數據讀寫、系統配置、故障診斷等。操作屏用SIEMENS的ProTool軟件設計,上位機采用SIEMENS的WINCC監控組態軟件設計,實現上位機對整機系統的實時監控。上位機與PLC之間采用通用MPI電纜通訊。PROFIBUS網絡采用RS485傳輸技術,使用專用屏蔽雙絞線。PLC與操作屏間通過數據影像實現實時通訊。主站與從站間采用循環查詢方式,完成對變頻器的讀寫操作。
3.2 PLC組態
在組態表中,STEP7自動給每個模塊分配~個地址。PLC啟動時,CPU將比較STEP7中創建的預置組態與設備的實際組態,從而可立即識別出它們之間的任何差異,并報告。
3.3 控制系統的軟件設計
程序模塊化結構設計,各種功能以子程序結構適時調用實現;程序采用循環掃描方式對速度鏈上的傳動點進行處理,提高程序執行效率:程序設計通用性強,并具有必要的保護功能和一定的智能性;人機界面友好、方便操作。

圖3主程序流程圖
3.3.1 基于PLC、工業控制計算機通訊控制的速度鏈
速度鏈控制由PLC內部軟件來實現,用前級PLC通過PROFIBUS通訊協議完成,如圖4適用于大型紙機,除有速度鏈功能外,尚有顯示監控功能。

圖4 PLC控制速度鏈示意圖
速度鏈程序流程結構圖如圖5

圖5速度鏈程序流程結構圖
3.3.2 張力軟件的設計
本設計采用直接張力控制,利用軟件程序內整定達到恒張力控制的目的,如圖6。張力控制模塊退出的條件為相關部位檢測到斷紙信號或手動退出按鈕被按下。

圖6張力控制調節程序示意圖
3.3.3 通過PLC程序來實現負荷分配功能
存在負荷分配傳動,需采用速度、轉矩雙閉環控制,以達到負荷均衡分配的日的。從動變頻器以支速度鏈的方式運行,PLC檢測豐動及從動變頻器的負載情況,并實時進行比較運算,做出相應PID調節,對變頻器的輸出進行微量調整,保證各個傳動點的出力特性按設計要求均衡穩定(±1%),同時各傳動點之間的速差得以準確校正與之相匹配,從而使整機達到高速同步的精確控制;注:驅網輥、真空伏輥I司時聯鎖啟/停和故障聯鎖保護停機。在負荷分配分配的所有相府回路中采用:
(1)采用通訊速率高的通訊方式,DP通訊有足夠的時間來處理負荷分配。
(2)負荷分配原理如下:

圖7負荷分配原理簡圖
如圖7,M1為主傳動,M2為從傳動。MI在主速度鏈上,主要是速度環工作,M2是從傳動,主要以電流環為主,但同時也有速度環。MI的電流輸入M2變頻器中,作為M2電流的給定,利用AVY300變頻器的CURENT LIMTED功能,進行轉矩電流的調節,使M2電機的電流總是按照一定的比例進行控制,達到負荷分配的目的。
(3)負荷分配的控制設計
在紙機電氣傳動控制系統中經常會遇到由幾臺電機同時拖動同一個分部的情況,如紙機壓榨部兩輥壓榨,上下傳動輥都有自己的傳動電機,通過加壓同步運行。類似這樣的多電機傳動,只有電機速度同步并不能滿足實際系統的工作要求,這時還要求各傳動點電機負載率相同,否則會出現某臺電機負荷大,某臺電機負荷小的情況,會影響正常抄紙,甚至有可能撕壞毛布或造成斷紙。另外,負荷分配不平衡可能會造成某一個或多個電機過負荷運轉,有時速度較抉的電機拖動速度較慢的電機,增加了電機負荷,影響其使用壽命,所以有必要在每個分部中的各個傳動點之問實施負荷自動分配控制功能。
3.4 各分部的程序以驅網輥為例,梯形圖如圖。
3.4.1 用SFC 14”DPRD—DAT”讀取DP標準從站//PROFINET IO設備的連續數據。

3.4.2 用SFC 15”DPWR_DAT”向DP標準從站/PROFINETIO設備寫入連續數據。
需要SFC 15”DPWR_DAT”和用SFC 14”DPRD—DAT”的原因是使用用于訪問I/O或過程映像輸入表的傳送指令最多只能寫入四個連續字節。

3.4.3 速度鏈:

3.4.4 運行和爬行:

3.4.5 爬行給定速度:

3.4.6 實際速度:

3.4.7 實際功率:

3.4.8實際轉矩:

在紙機傳動里速度鏈和負荷分配以及通訊是傳動系統穩定的關鍵所在。由丁.紙機車速是在350m/min和采用的PROFIBUS-DP通訊的原因,我們將負荷分配方面的內容編寫在了程序里面。雖然在調試時遇到了很多麻煩,但最終還是達劍了非常理想的效果。
核心關注:拓步ERP系統平臺是覆蓋了眾多的業務領域、行業應用,蘊涵了豐富的ERP管理思想,集成了ERP軟件業務管理理念,功能涉及供應鏈、成本、制造、CRM、HR等眾多業務領域的管理,全面涵蓋了企業關注ERP管理系統的核心領域,是眾多中小企業信息化建設首選的ERP管理軟件信賴品牌。
轉載請注明出處:拓步ERP資訊網http://www.shjqjggc.cn/
本文標題:基于現場總線的PLC控制變頻造紙系統
























