歡迎參加第十二屆產品創新數字化國際峰會 12月1-2日 長沙
引言
目前,全生命周期的BOM管理已經是企業數據中心管理的核心,數據采集的主線也圍繞BOM的演變過程進行。在企業實際的產品制造業務規劃過程中,分為EBOM、PBOM、MBOM、中性BOM、實物BOM和維護BOM,如下圖所示。其中以前三個階段的BOM管理更深入,產品全生命周期的管理能力最根本的也就是體現在BOM的管理能力上。

圖1 全生命周期BOM管理
1 企業BOM演變過程
隨著發動機產品從產品設計、工藝設計、工裝設計、生產制造、裝配試車、維護維修直至產品銷亡的一個周期過程,BOM管理也從初始的以設計BOM、工藝BOM為代表的虛擬產品結構開始向以臺份實物BOM和維護服務BOM為代表的實物產品結構轉變。單一配置的型號虛擬產品BOM,將根據實際生產情況的不同和質量跟蹤要求派生出一系列的單臺實物產品BOM配置。

圖2 產品全生命周期BOM的演變過程
2 各階段BOM的實際應用
2.1 全面應用的EBOM管理
目前,在各種產品制造行業內EBOM的涵義和管理內容定義的都比較清晰,在發動機產品設計制造過程中,EBOM提供了產品和零組件的自然屬性數據、產品和零組件的裝配關系及其相應零組件之間裝配數量關系的數據、BOM本身版本變化的版本信息。它精確地描述產品的設計指標、零部件之間的邏輯裝配結構關系、零部件總體信息、零部件形狀信息、零部件制造信息、零部件關聯信息等,是工藝、生產制造等后續部門應用系統所需產品基礎數據。
2.2 PBOM維護狀態
發動機產品工藝設計與制造的技術數據及業務活動主要圍繞PBOM來管理,并對其維護工作制定了相應的規范和標準。企業在接收設計院所的EBOM、圖紙等技術文件后,編制工藝分工路線,各部門根據工藝流水分別完成所負責零部件的定額BOM(材料定額信息)、裝配BOM(裝配工藝路線),最終形成完整的PBOM。當前PDM與ERP、MES集成數據即以PBOM為核心的技術數據。
2.3 中性BOM
在企業中性BOM管理層面應用較為膚淺,未發揮出重要的作用。中性BOM是實物BOM的基礎,是針對產品型號的BOM,用以定義組成產品的每個零部件的物流特性、位置信息及生產維護相關的特性參數。根據產品技術數據管理現狀及對實物數據的管理要求,并經相關專業的研討確定,中性BOM以PBOM為基礎,擴展相關信息后形成中性BOM。
2.4 實物BOM
目前尚無實做BOM數據來驗證最初BOM數據模型。
2.5 維護BOM
發動機出廠后的外場狀態管理、維護維修等服務階段的數據將以維護BOM為基礎,由售后服務的人員根據其服務業務過程在MRO系統中維護,維護BOM管理還未與BOM前幾個階段的業務流程緊密的銜接。
3 企業對BOM管理需求
如果企業能夠對BOM實施集中規劃管理,基于EBOM集中進行統一轉化、快速變形設計及多視圖管理,再造/優化后的業務流程能快速實現,由于各種變更引起的信息處理效率會更加高效。實施BOM的集中統一管理,各生產廠不需再在MES系統中維護一套BOM數據,而是通過接口從BOM管理系統中同步獲取實時更新。
4 BOM集成分析
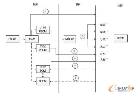
企業內經過多年的信息化建設,已有了相當的BOM數據和一定的BOM管理基礎。BOM管理總體路線圖如下。

圖3 BOM集成路線
路線①為近年在該企業進行的PDM與各生產廠BOM數據集成路線,主要集成了物料和工藝路線。每個生產廠都在自己的MES系統中單獨手工創建一套BOM,并定期同從PDM獲取的物料進行比對,從而決定工藝路線的維護。
路線②為該企業早期進行的ERP與各個生產廠間的數據集成。未進行BOM集成,而是根據各生產廠特點,進行數據散片化集成。
路線③④為PDM與EKRM系統的BOM集成
路線⑤⑥為該企業MDC(制造數據中心)已完成研究的集成。
圖中,該企業的BOM管理基本是以PDM為基準出發,哪里需要就進行哪里的集成,多年以來逐步形成了目前的BOM管理格局。
如果企業對BOM實施集中規劃管理,能更好的基于EBOM集中進行統一轉化、快速變形設計及多視圖管理,再造/優化后的業務流程能快速實現,由于各種變更引起的信息處理效率會更加高效。實現了BOM的集中統一管理,各生產廠不需再在MES系統中維護一套BOM數據,而是通過接口從BOM管理系統中同步獲取實時更新。
5 BOM集中管理方式的選擇
結合該企業現狀,我們提出兩種管理方式:
第一種方式:所有BOM在PDM中進行統一管理。
從管理角度看,這些BOM可以在PDM系統中進行管理,那么企業在實施PDM的時候,是否考慮把三種BOM全部放在PDM系統中進行管理。
當然,進行了統一后,不是所有的數據全部在PDM系統中管理,部分屬性必須在ERP、MES中管理的,統一的標準是:通過PDM的BOM增加一些ERP的屬性以及更改一些物料的生產類型(采購件、虛擬件、外協件的轉化),可以將BOM用于生產。統一的目的是在與ERP集成時候變得容易,同時也解決PDM系統管理多個BOM的復雜性以及管理上存在的困難。
第二種方式:企業依托某一技術平臺全新開發適合本企業的企業級統一BOM管理系統。
1)基于Enovia的Single的BOM管理
ENOVIA的BOM解決方案實現了對企業全業務價值鏈的管控,對BOM的管理涵蓋了整個產品生命周期過程。
2)基于Windchill的BOM管理
對于產品信息的管理,有效的支持企業研發流程以及其他前端(面向客戶)后端(面向企業內部協同)的流程,從時間范圍上覆蓋從市場創意到售后退出服務的全生命周期,從職能部門范圍上覆蓋研發、市場、銷售、采購、預測、檢測、制造、服務、質量以及成本的全矩陣的職能組織,從技術學科上要覆蓋機械結構、電子電氣、軟件開發、技術資料等產品所涉及的全面的技術組成。
3)基于Teamcenter的BOM管理
Teamcenter的BOM管理使企業在整個產品生命周期中有效地管理BOM和產品配置、實現可重復的數字化驗證、開放的和專業化的BOM管理。開放性和專業化的BOM管理方法使得企業管理系統實現無縫集成,共享產品信息,獲得與合作伙伴及供應商的更大范圍內價值鏈的同步。
結束語
企業對BOM的管理一直在探索的過程中,所以一些BOM管理理念和方法也需要在今后的工作實踐中驗證。
轉載請注明出處:拓步ERP資訊網http://www.shjqjggc.cn/























