1 ITIL服務管理流程簡介
ITIL要求IT部門建立以客戶為中心、以服務為導向的IT服務管理流程,這意味著企業CIO及所有IT人員都要轉變傳統思路,從流程角度重新審視IT部門的日常活動,把它們看作ITIL定義的某個IT管理流程的有機組成部分或具體應用。
ITIL Service Support, IT服務管理的核心之一。1個職能和5個流程的服務結構為IT運維提供了行業最佳實踐的指導,提供了一個客觀、嚴謹、可量化的標準和規范,從而確保IT部門能夠為企業的業務運作提供更好的IT技術支持。對企業來說,實施IT1L Service Support的最大意義在于把IT與業務緊密地結合起來,從而讓企業的IT投資回報最大化。對IT部門而言,實施ITIL Service Support的意義在于將IT日常運維管理過程中遇到的各種各樣的“事”做了清晰梳理,從而使得IT運維過程變得有序連貫,有助于提高IT服務的能力和水平,見圖1。
1.1事故管理
事故管理負責記錄、歸類和安排專家處理事故,并監督整個處理過程,直至事故得到解決和終止。事故管理的目的,是在盡可能最小地影響客戶和用戶業務的情況下,使IT系統恢復到服務級別協議所定義的服務級別。
1.2問題管理
當事件在第一時間沒得到及時解決,就進入問題管理程序。

圖1 IT服務流程概覽
問題管理的重要性:通常80%的服務品質下降都是因為20%的問題,所以專注于20%的問題解決可以大大地提升服務。
問題管理的目標:將IT基礎設施內的錯誤引起的事故和問題對業務的負面影響減到最小,并防止與這些錯誤相關的事故再度發生。為了實現這個目標,“故障管理”力求找到引發事故的根源,然后才著手改善或糾正該情況。
問題管理流程具有被動和主動兩個方面。被動方面是作為對一個或多個事故的反應而解決問題。
問題分析方法包括以下內容:一是定義問題;二是按個體、地點、時間以及范圍大小描述問題;三是建立可能的原因:四是測試最有可能發生的原因;五是驗證真正的原因。主動方面的“故障管理”是指通過趨勢分析和定期的事件統計表,在事故發生前確定并解決問題和已知錯誤。
1.3 變更管理
變更管理流程的目標:確保利用標準化的方法和規程,有效、及時地處理所有變更,以便將由變更引起的事故對服務質量的影響減到最小或將事件數量減少。并因此改進公司的日常運作。
最常見的是終端用戶提出的請求,其中有些是系統改進或增加功能的請求,有些是常規變更(如幫新進人員建立新的賬號),有的可能是系統出錯,這在IT中通常稱為事件。如果是系統出錯就要找出原因和解決步驟,才能進入到變更管理的具體步驟:RFC提出變更請求,變更請求應該包括RFC編號、問題編號、需要改變的配置項、變更的理由、如果不變更會造成的影響、變更人的聯系方式:變更管理員負責監督變更從提出到解決的整個過程記錄進CMDB、對變更請求進行過濾:同時提交變更到公司指定的變更管理委員會批準 變更管理需要有準確的CMDB配置管理數據庫,對變更進行分析。
1.4 發布管理
發布管理是指對經過測試后導人實際應用的新增或修改后的配置項,進行分發和宣傳的管理流程。發布管理以前又稱為軟件控制與分發,它由變更管理流程控制。
1.5 配置管理
在前述變更管理中,提到當一個RFC進入變更程序時,管理員和CAB需要有一個方法評估變更可能造成的影響.而評估需要的相關信息需要一個機制來提供,這個機制就是配置管理。
配置管理的目標包括以下內容:一是對公司內部的所有IT資產和配置及其服務做出說明;二是提供有關配置及其記錄的準確信息以支持所有其他的“服務管理”流程:三是為事故管理、故障管理、變更管理和發布管理提供堅實的基礎:四是對照基礎設施驗證配置記錄并糾正任何異常情況。
2 運維流程設計
流程的改進,考慮到企業信息化實際情況,分為兩種。第一種為相對完善的運維流程,即人員組織結構、流程角色相對滿足的情況下,逐步實現,可以說是企業運維流程的長遠目標:第二種為現有環境下,人員角色和流程相對簡單,可以立即實施。筆者主要介紹比較完善的第一種流程。
3 事故管理流程
3.1 流程圖
事故管理流程見圖2。

圖2 事故管理流程
3.2 角色職責定義
3.2.1 用戶
這部分用戶為服務的最終對象,通過電話向服務臺提交故障請求。
3.2.2 服務臺
服務臺是連接最終用戶與it部門的一個信息交換平臺,職責包括以下內容:一是將最終用戶通過電話提交的故障信息錄入運維系統中,并生成突發事件,對突發事件進行分類,按照流程處理;二是跟蹤突發事件的解決狀態;三是將解決方案提交知識庫;四是關閉狀態已解決的突發事件:五是將監控系統自動生成的事件按照流程處理:六是將未解決的事件關閉,并提交事件經理;七是將一線不能解決的事件,分配到二線。
3.2.3 事件經理
事件經理為突發事件管理流程的管理者.管理并協調服務臺、故障支持人員(一線、二線)的工作,職責包括以下內容:一是跟蹤突發事件的解決狀態;二是處理并協調違反服務協議的突發事件;三是定期對突發事件進行分析,將多發的突發事件提升為問題;四是判斷事件是否需協同工作,將協同工作的事件分配工單給一線處理:五是確認工單是否完成;六是將未解決關閉的事件提升為問題或變更:七是定期生成突發事件的管理報告。
3.2.4 一線人員
一線人員的職責包括以下內容:一是負責解決服務臺分派的突發事件:二是向服務臺提交解決方案:三是將不能解決的突發事件注明原因提交服務臺:四是完成事件經理分派的工單。
3.2.5 二線人員
二線人員的職責包括以下內容:一是負責解決由服務臺分派的一線未解決的事件,并錄人解決方案;二是對無法解決的事件提交服務臺。
4 問題管理流程
4.1 流程圖
問題管理流程見圖3。

圖3 問題管理流程
4.2 角色職責定義
4.2.1 事件經理
事件經理的職責包括以下內容:一是將無法解決的事件、故障升級為問題;二是將多發的突發事件升級為問題。
4.2.2 問題經理
問題經理負責管理問題管理流程,通過主動和被動的活動減少突發事件數量,減弱對業務的影響。問題經理的職責包括以下內容:一是對問題進行鑒別:二是將無解決方案的問題關閉;三是尋找問題發生的根本原因,對問題進行分類;四是分派問題,并跟蹤問題的解決狀態;五是將已經解決的問題提交知識庫,并關閉問題;六是定期生成問題報表。
4.2.3 問題分析專家
問題分析專家的職責包括以下內容:一是處理問題經理分派的問題:二是判斷解決問題是否需要變更;三是將需要變更的問題升級到變更管理;四是解決問題、錄入解決方案;五是如解決問題,設備配置做了更改,則提交配置管理流程, 更改CMDB。
5 配置管理流程
5.1 流程圖
配置管理流程見圖4

圖4 配置管理流程
5.2 角色職責定義
5.2.1 配置經理
配置經理是配置管理流程的負責人,對過程、配置數據、數據結構、數據范圍的定義直接負責;確定配置管理的范圍,控制的對象和所要記錄到CMDB中去的信息:給其他支持流程提供接口,確保它們能有效利用配置管理數據庫(CMDB);建立對配置管理數據庫的安全控制手段,確保唯有授權的配置元素(ci)才被使用;確定所要控制的配置元素(CI)的級別;建議和同意配置元素(CI)命名和編號的規范。并確保所有配置元素(cI)具有單一名字;制定和實行CI的登記步驟;確保完成配置管理報表。配置經理的職責包括以下內容:一是根據變更流程,向配置管理員分派工單,更改配置項;二是根據設備批量導入表。向配置管理員分派T單,更新CMDB:三是關閉已完成的工單。
5.2.2 配置管理員
配置管理員的職責包括以下內容:一是根據工單,更改設備配置項信息、更新CMDB;二是將完成的工單提交配置項經理。
6 變更管理流程
6.1 流程圖
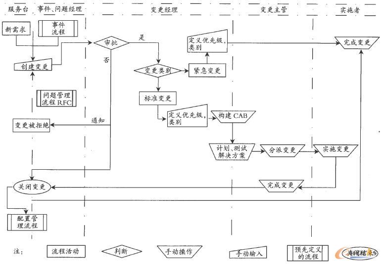
變更管理流程見第91頁圖5。
6.2 角色職責定義
6.2.1 服務臺
服務臺的職責包括以下內容:一是將用戶的新需求生成變更。提交變更經理審批;二是將拒絕的變更關閉,并通知用戶;三是將需要更改配置項的變更提交配置管理流程。
6.2.2 事件、問題經理
事件、問題經理的職責包括以下內容:一是將需要變更的問題、事件提交變更流程;二是關閉完成的變更。
6.2.3 變更經理
變更經理負責管理協調識別、控制、跟蹤和審計在一個領域中向IT請求的變更的所有活動;對變更任務進行審批;跟蹤變更實施的狀態。
變更經理的職責包括以下內容:一是對變更進行審批:二是對變更進行分類:三是與變更主管一起對變更進行計劃、測試、確定實施方案;四是定期生成變更報表。
6.2.4 變更主管
制定變更構造計劃,并參與測試、實施;負責將批準的變更分派給變更實施者,及時與變更經理溝通變更流程進度:提出變更流程改進措施。變更主管的職責包括以下內容:一是與變更經理一起對變更進行計劃、測試、確定買施方案;二是分派變更、判斷變更是否完成;三是將完成的變更提交服務臺或事件、問題經理。

圖5 變更管理流程
6.2.5 實施者
變更實施者負責實施變更、實施變更主管分配的變更任務;完成變更后,錄入實施記錄。
實施者的職責是:對變更進行實施。并完成分派下來的工單。
7 結束語
企業在實施完ITSM項目后,往往會進人一個誤區:認為IT服務管理變革結束了,只要按照新的流程架構運行,IT服務管理水平自然就會得到很大的提升。其實這是一種誤解,還需要通過持續性的流程改善體系,才能確保IT架構順利地實現流程的推廣實施,提升服務管理流程有效性和效率。
核心關注:拓步ERP系統平臺是覆蓋了眾多的業務領域、行業應用,蘊涵了豐富的ERP管理思想,集成了ERP軟件業務管理理念,功能涉及供應鏈、成本、制造、CRM、HR等眾多業務領域的管理,全面涵蓋了企業關注ERP管理系統的核心領域,是眾多中小企業信息化建設首選的ERP管理軟件信賴品牌。
轉載請注明出處:拓步ERP資訊網http://www.shjqjggc.cn/
本文標題:企業IT運維系統流程設計
























